Описание изобретения к патенту
Изобретение относится к технологии сорбционной очистки газов и может быть использовано для получения высокочистых инертных газов, применяемых в металлургии, медицине, электротехнике, светотехнике, сварочном производстве и других отраслях науки и техники.
Известны традиционные адсорбционные способы очистки инертных газов на различных сорбентах: активированном угле, цеолитах, алюмогелях, силикагелях и пр.
(см., например, Фастовский В.Г. и др. Инертные газы. — М.: АТОМИЗДАТ, 1964, с.207-219).
Кроме того, известен способ глубокой очистки ксенона от примесей органических соединений и компонентов воздуха с применением трехкомпонентного поглотителя, состоящего из активного оксида алюминия, цеолита КА и цеолита NaA, размещаемого чередующимися слоями.
(см. п. РФ №2242422, МПК С01В 23/00, заявл. 07.08.2003, опубл. 10.02.2005).
Наряду с указанными выше известен способ извлечения ксенона из газовой смеси, включающий процессы каталитического выжигания углеводородов, сорбционную очистку от влаги и двуокиси углерода (три слоя адсорбента: силикагель или цеолит марки КА, цеолит марки СаА или СаЕХ, цеолит марки NaX или СаТ), охлаждение и низкотемпературную ректификацию.
(см. п. РФ №2259522, МПК B01D 53/02, заявл. 06.02.2004, опубл. 27.08.2005).
Однако известные способы не обеспечивают высокой степени очистки инертных газов от водорода и других газообразных примесей из-за избирательного действия адсорбентов, а также многие из них сложны и энергоемки.
Наиболее близким по технической сущности и достигаемому результату к заявляемому изобретению является способ тонкой очистки инертных газов от газообразных примесей, включающий трехстадийный процесс разложения примесей: на первой стадии — легко разрушаемых кислородсодержащих, на второй стадии — углерод- и азотсодержащих, а на третьей стадии — водородсодержащих, с адсорбцией продуктов разложения на каждой стадии поглотителем — активированным металлическим титаном.
Известный способ позволяет очистить инертный газ до остаточного содержания водорода 0,1×10 -4 об.%, при этом при температуре 950°С и выдержке 500 часов процент спекания поглотителя — губчатого титана — составляет 50%.
(см. п. РФ №2113270, МПК B01D 53/04, заявл. 06.08.1996, опубл. 20.06.1998, б. №17). Недостатки известного способа заключаются в:
— невозможности повышения глубины очистки по водороду;
— жестких температурных рабочих условиях;
— необходимости частой смены поглотителя из-за его спекания при температуре выше 850°С;
— сложности, трудоемкости и высоких материальных затратах при замене отработанного губчатого титана;
— высоком энергопотреблении;
— ограничении на применение аппаратурных материалов по жаростойкости и жаропрочности.
Задачей настоящего изобретения является увеличение степени очистки инертных газов по водороду при повышении ресурса работы поглотителя и используемого оборудования, а также снижение энергопотребления.
Поставленная задача решается тем, что в известном способе тонкой очистки инертных газов от газообразных примесей, включающем трехстадийный процесс разложения примесей: на первой стадии — легко разрушаемых кислородсодержащих, на второй стадии — углерод- и азотсодержащих, а на третьей стадии — водородсодержащих, с адсорбцией продуктов разложения на каждой стадии поглотителем — активированным металлическим титаном, согласно изобретению весь процесс ведут при повышенном абсолютном давлении 4-20 атм и температуре: на первой стадии 700-740°С, на второй стадии 820-850°С, на третьей стадии 300-350°С.
СОГЛАСНО ИЗОБРЕТЕНИЮ в качестве поглотителя используют порошок титана фракции 1,0±0,315 мм.
Осуществление способа тонкой очистки инертных газов, таких как аргон, неон, криптон и ксенон, в заявляемых условиях позволяет:
— повысить степень очистки по водороду до остаточного содержания 0,05×10 -4 об.% за счет более полного извлечения водорода;
— сократить энергозатраты за счет уменьшения рабочих температур на всех стадиях процесса при увеличении абсолютных давлений, времени контакта газообразных примесей с поглотителем и оптимизации фракционного состава самого поглотителя;
— резко снизить спекание гранул порошка поглотителя (при температуре 850°С в течение 1000 часов процесса спекания не выявлено);
— 100%-ную выработку поглотителя за счет предотвращения спекания и увеличения времени контакта газообразных примесей с поглотителем (под давлением все примеси диффундируют в глубину зерна поглотителя, очищая поверхность зерна для поглощения следующих порций примесей),
— увеличить ресурс работы используемого оборудования.
Анализ известных технических решений позволяет сделать вывод о том, что заявляемое изобретение не известно из уровня исследуемой техники, что свидетельствует о его соответствии критерию «новизна».
Сущность заявляемого изобретения для специалистов не следует явным образом из уровня техники, что позволяет сделать вывод о его соответствии критерию «изобретательский уровень».
Возможность осуществления тонкой очистки инертных газов в заявляемых условиях на серийно выпускаемых аппаратах и вспомогательном оборудовании свидетельствует о соответствии предлагаемого изобретения критерию «промышленная применимость».
Заявляемый способ тонкой очистки инертных газов от газообразных примесей прошел промышленные испытания в условиях газоперерабатывающего предприятия Уральского региона при использовании промышленных реакторов, заполненных поглотителем — порошком титана марки ПТХ-2.
На чертеже схематично представлено аппаратурное оформление заявляемого способа тонкой очистки инертных газов от газообразных примесей.
Обозначения на чертеже:
1 — реактор для первой стадии процесса, работающий при температуре 700-740°С;
2 — реактор для второй стадии процесса, работающий при 820-850°С;
3 — реактор для третьей стадии процесса, работающий при 300-350°С;
4 — газоанализатор;
5 — манометр;
6, 7 — крионасосы;
8, 9 — баллоны для хранения очищенного газа;
10 — регулировочный вентиль.
Пример 1. Очистка ксенона от газообразных примесей.
Ксенон, содержащий Н2O, CO 2, СО, СН4, O2 и N2, в количестве 1×10 -2 об.% при абсолютном давлении 4 атм непрерывно подавали в реактор 1, где при температуре 700°С осуществляли разложение легко разрушаемых кислородсодержащих примесей (Н 2O и CO2) с адсорбцией выделившегося кислорода порошком титана (расход газа 0,5 нм 3/ч).
Очищенный от кислорода ксенон при абсолютном давлении 4 атм переводили в реактор 2, где при температуре 820°С проводили разложение СО и СН4 с адсорбцией углерод- и азотсодержащих примесей при том же расходе газа, что и на первой стадии.
Затем очищенный от кислорода, углерода и азота ксенон при абсолютном давлении 4 атм непрерывно пропускали через реактор 3, в котором при температуре 300°С адсорбировали порошком титана водород с тем же расходом газа, что и на первой стадии. На выходе из реактора 3 содержание водорода в ксеноне составило 0,04×10-4 об.%.
Очищенный от газообразных примесей ксенон кристаллизовали известным методом в крионасосах 6 и 7, откуда после газификации направляли на хранение в баллоны 8 и 9, при этом состав очищенного газа контролировали при помощи газоанализатора 4.
Давление в реакторах 1, 2 и 3 контролировали манометрами 5.
Остаточное содержание газообразных примесей в очищенном ксеноне составило, об.%:
— кислорода, воды, метана — 0,1×10-4 ;
— окиси углерода, двуокиси углерода — 0,5×10 -4;
— азота — 0,3×10-4 ;
— водорода — 0,04×10-4.
Необходимая замена поглотителя производилась после прохождения 1000 нм3 очищаемого газа.
Пример 2. Очистка криптона от газообразных примесей.
Криптон, содержащий Н2О, СО, СН4 , CF4, О2 и N 2, в количестве 1×10-2 об.% при абсолютном давлении 20 атм непрерывно подавали в реактор 1, где при температуре 740°С осуществляли разложение легко разрушаемых кислородсодержащих примесей с адсорбцией выделившегося кислорода порошком титана (расход газа 1,5 нм 3/ч).
Очищенный от кислорода криптон при абсолютном давлении 20 атм непрерывно переводили в реактор 2, где при температуре 850°С проводили разложение и адсорбцию порошком титана углерод- и азотсодержащих примесей при том же расходе газа, что и на первой стадии.
Затем очищенный от кислорода, углерода и азота криптон при абсолютном давлении 20 атм. непрерывно пропускали через реактор 3, в котором при температуре 350°С адсорбировали водород и осаждали летучие фтористые соединения порошком титана при том же расходе газа, что и на первой стадии. Содержание водорода на выходе из реактора 3 составило 0,05×10 -4 об.%.
Очищенный от газообразных примесей криптон кристаллизовали, газифицировали и направляли на хранение в условиях, аналогичных примеру 1.
Остаточное содержание газообразных примесей в очищенном криптоне составило, об.%:
— кислорода, воды, метана и фтористого углерода — 0,1×10 -4;
— окиси углерода, двуокиси углерода — 0,5×10 -4;
-азота — 0,4×10-4;
— водорода — 0,05×10-4.
Необходимая замена поглотителя производилась после прохождения 3000 нм 3 очищаемого газа.
Кроме того, проводили тонкую очистку инертных газов от газообразных примесей в условиях способа-прототипа (см. п. РФ №2113270) — см. примеры 3 и 4.
Условия и результаты осуществления способов приведены в таблице.
Как видно из приведенных примеров и данных таблицы, осуществление способа тонкой очистки инертных газов от газообразных примесей в заявляемых условиях по сравнению со способом-прототипом (см. п. РФ №2113270) обеспечивает следующие технические и общественно-полезные преимущества:
— увеличение степени очистки инертных газов по водороду в 10 раз при сохранении высокой степени очистки от других газообразных примесей;
— повышение ресурса работы поглотителя и используемого оборудования;
— снижение энергопотребления с одновременным уменьшением себестоимости производимой продукции;
— легкость замены отработанного поглотителя;
— простоту и безопасность осуществления способа при минимальной модернизации (введение в принципиальную схему регулировочного вентиля и манометров повышает надежность работы установки, предотвращает проскок водорода, обеспечивает улучшение других технических характеристик по глубине очистки).
Очистка аргона от кислорода с помощью цеолитового адсорбера. курсовая работа (т). другое. 2022-11-23
Реферат
В проекте предлагается установить в цехе
воздухоразделения установку очистки аргона от кислорода с помощью цеолитового
адсорбера вместо установки очистки аргона методом каталитического гидрирования
с помощью водорода.
При очистке аргона методом каталитического
гидрирования используется установка УТА- 5 (установка технического аргона)
размещенная в отдельном корпусе
В состав установки входят реактор с платиновым
катализатором, электролизная установка для производства водорода, компрессор,
газодувка и другое оборудование. Отдельными сооружениями являются два
газгольдера (накопители газа) на 300 м3 газа, отдельно стоящие ресиверы
водорода (на рисунке не показаны), реципиентная группа (50 баллонов по 500 л.).
Для адсорбционной очистки используется адсорбер
наполненный синтетическим цеолитом NaА. При очистке аргона с помощью
цеолитового адсорбера значительно повышается культура производства и
взрывобезопасность установки.
Предлагаемый метод очистки аргона позволит
сократить обслуживающий персонал установки УТА-5, освободить производственные
площади, снизить расходы на электроэнергию.
В проекте приведены все необходимые расчеты,
освещены вопросы безопасности при эксплуатации.
Проект содержит расчетно-пояснительную записку
из___ страниц текста, __ рисунков и графическую часть на ___ листах.
Введение
Аргон — самый распространенный из инертных
газов, применяется в качестве защитной среды в машиностроении при сварке и
резке легких металлов и специальных сталей, в металлургии при получении и
обработке высококачественных сталей, цветных и особенно редких и щелочных
металлов (Тi, Nb, Ве, Li
и т. п.), в полупроводниковой промышленности при выращивании кристаллов
титаната бария и др., в светотехнике для заполнения ламп накаливания, в
электронике для получения точечных ламп, в энергетике в качестве рабочего тела
МГД — генераторов и многих других областях.
Технически чистый аргон должен содержать
кислород и азот в количестве не более сотых долей процента. В ряде производств
требования к качеству аргона еще выше и суммарное содержание примесей не должно
превышать тысячных долей процента.
В электроламповой промышленности для некоторых
видов сварки используют технический аргон, содержащий от 12 до 16% азота. Этот
продукт обычно подвергают дополнительной очистке от кислорода и влаги на
ламповых заводах. Для сварки и резки специальных сталей и сплавов применяют
смеси аргона с кислородом, водородом и гелием.
Чтобы удовлетворить требованиям различных
потребителей, технология производства аргона должна обеспечивать как высокое качество,
так и низкую себестоимость аргона.
Физическая и активированная адсорбция находят
широкое применение в процессе разделения и глубокой очистки газовых смесей.
Адсорбционный метод разделения газов часто не уступает процессу ректификации, а
при глубокой очистке превосходит его и значительно эффективнее химических
методов. Сочетание методов ректификации и адсорбции позволяет существенно
повысить эффективность воздухоразделительных установок. В недалеком будущем
схемы комплексного разделения несомненно будут разрабатываться с учетом
максимального использования метода адсорбции для глубокой очистки инертных и
других газов.
очистка
аргон кислород адсорбер
1.
Технико-экономическое
обоснование
1.1 Обзор существующих конструкций очистки
аргона от кислорода
Существующие схемы и способы производства
инертных газов не позволяют получать их в чистом виде непосредственно из
воздухоразделительного аппарата. И хотя в последние годы в этом отношении
достигнуты выдающиеся результаты, нельзя, например, рассчитывать на получение
методом ректификации сырого аргона или криптоно-ксенонового концентрата,
содержащего менее сотых долей процента кислорода. Видимо и в дальнейшем будет
экономически целесообразнее освобождаться от примесей кислорода методами,
основанными на высокой химической активности кислорода или на возможности его
избирательной адсорбции синтетическими цеолитами и другими адсорбентами. При
очистке инертных газов химическими методами для связывания примесей кислорода,
азота
и т. д. могут использоваться различные реагенты: водород, медь, кальций, титан
и другие активные металлы, их сплавы и окислы.
В промышленности большинство индустриально
развитых стран применяется метод очистки сырого аргона от кислорода, основанный
на каталитическом гидрировании кислорода путем беспламенного сжигания водорода.
Серьезной проблемой при реализации этого
процесса долгое время был подбор эффективного катализатора.
В настоящее время установлено и проверено
практикой длительной эксплуатации промышленных установок, что наиболее эффективными
катализаторами для гидрирования кислорода с помощью водорода являются
катализаторы на основе металлов платиновой группы (чаще Рt
и Рd). Удельная
каталитическая активность платины и палладия примерно одинаковы и в шесть раз
выше, чем никеля. Как правило, эти катализаторы приготавливают путем пропитки
пористого носителя раствором соли активного компонента или распыления раствора
на поверхности носителя с последующим восстановлением металла. В качестве
носителя чаще всего применяется активная окись алюминия, но могут быть
использованы также силикагель, фарфор и др. Поскольку платина и палладий имеют
высокую удельную каталитическую активность и значительную стоимость, содержание
активного компонента в катализаторе не превышает 5 % и обычно колеблется в пределах
0,1-3,0 %. Поверхность активного металла в катализаторах достигает 20-100 м2/г.
При использовании стандартного палладиевого
катализатора, наиболее широко применяемого в реакторах для очистки аргона,
максимально
допустимая температура в слое (550 0С)
соответствует объемной доле кислорода, равной 2 %.
Отметим также, что при более высоком содержании
кислорода в аргоне возрастает также опасность образования гремучей смеси в
реакторах, взрывоопасные условия в которых определяются пределами взрываемостисмесей
водорода с кислородом (от 4,65 до 94 % Н2) или воздухом (от 4 до 74 % Н2 ).
Метод каталитического гидрирования кислорода с
помощью водорода запатентован американской фирмой «Бейкер» и известен под
названием «Деоксо».
Очистка газов от кислорода методом гидрирования
может быть осуществлена также на катализаторах, содержащих в качестве основного
активного компонента медь. Например, глубокая очистка азото-водородной смеси от
кислорода даже в присутствии окиси углерода производится на цинкохроммедном катализаторе.
При этом одновременно происходят гидрирование окиси азота и ацетилена.
В Японии и США используются, в основном,
катализаторы платиновой группы. Фирма «Линде» (США) использует для очистки
инертных газов два типа катализаторов палладиевый и медный. Палладиевый
катализатор исполь-зуется в установках большой производительности с проведением
реакции под давлением, близким к атмосферному; затем избыточный водород вместе
с азотом удаляется методом низкотемпературной ректификации.
Медный катализатор используется иногда в
процессе очистки аргона от кислорода при повышенной температуре (600 °С) и
высоком давлении (до 15 МПа) после предварительного освобождения сырого аргона
от азота методом ректификации. Избыточный водород удаляется затем с помощью
окиси меди.
Содержание кислорода в сыром аргоне составляет
от 12 до 1-2% в зависимости от типа установки воздухоразделения.
Кислород, оставшийся в сыром аргоне после
ректификации фракции в аргонной колонне, в промышленности удаляют химическим
путем.
Первый, наиболее широко распространенный способ
основан на окислении водорода кислородом, содержащимся в сыром аргоне. Этот
процесс можно осуществлять пламенным сжиганием водорода, а также каталитическим
окислением.
Отечественные и иностранные схемы установок
очистки сырого аргона.
В связи с имеющимися недостатками установки типа
УТА-5 не прекращаются поиски путей совершенствования и изыскание принципиально
новых методов очистки аргона от примесей.
Из работы [1] известно, что в промышленности
разработаны и другие установки по принципу работы УТА-5, например Арт-0,75.
Принципиальная схема этой установки ненамного отличается от УТА-5, но
производительность выше.
Арт-0,75 разработан в НПО «Криогенмаш» как
модифицированная установка для каталитической очистки аргона от кислорода.
Установка располагается непосредственно у воздухоразделительного аппарата. Она
работает по схеме, близкой к схеме УТА, при давлении, равном 0,3 МПа,
создаваемом за счет гидростатического столба жидкого сырого аргона. Теплота
реакции связывания кислорода в контактных аппаратах с платиновым катализатором
используется для регенерации адсорбента в блоках осушки. Наличие двух
последовательно включенных реакторов и промежуточное охлаждение газа в
адсорберах должно позволить перерабатывать сырой аргон, содержащий до 4 % О2на
установке без машинного оборудования (газодувки) и электроподогревателей.
Усовершенствована автоматизация процесса дозирования водорода и поддержания
заданной температуры перед вторым реактором. В схему включается цеолитовый блок
осушки, переключение баллонов которого производится вручную. Обслуживание
установки предусматривается с пульта управления основного
воздухоразделительного аппарата.
На БКЗ разработана установка каталитической
очистки аргона от кислорода под высоким давлением. Установка успешно работает
на заводе несколько лет, позволяя получать аргон с содержанием кислорода 0,001-
0,0005 % при общем увеличении выпуска продукции на 10 %.
В работе [1] рассмотрены японская, французская,
англо-американская схема установки очистки сырого аргона от кислорода и азота.
Эти установки для каталитической очистки аргона от кислорода существенно не
отличаются друг от друга. Во всех установках применяется водород.
Очистка инертных газов с помощью металлов и их
окислов.
Очистка аргона и других инертных газов от
примесей кислорода, азота, водорода и окиси углерода с помощью активных
металлов и их низших окислов основана на возможности образования окислов,
нитратов, гидридов и карбидов, При этом чем ниже температура реакции и чем выше
активность металла по отношению к той или иной примеси, тем проще и эффективнее
можно организовать процесс очистки.
Исследованию процессов поглощения газов
металлами в различном их состоянии посвящено много работ. Следует отметить, что
использование жидких металлов, амальгам, сплавов и паров металлов, как правило,
не выходит за рамки аналитических целей; практически более удобно применять
раздробленные металлы: кольца, пластины, стружки, таблетки, порошки и т. п.
Поглощение газов металлами происходит в
результате следующих основных физических и химических процессов:
) физической адсорбция газов на
поверхности, не имеющей большого значения при очистке газов, но сильно влияющей
на глубину очистки как источник выделения нежелательных примесей в очищаемый
газ;
) хемосорбции газа поверхностью металла,
требующей затраты значительной энергии активации и по прочности связи
адсорбированного газа с адсорбентом приближающейся к химической реакции, В ряде
случаев хемосорбция может с успехом при меняться для связывания примесей;
) растворения газа в металле, имеющего
практическое значение лишь для пары титан-водород и со значительно меньшим
эффектом (в 100-1000 раз) серебро—кислород и железо-азот. Следует особо
подчеркнуть высокую растворимость водорода в титане.
При повышении температуры титана до 800 °С
диссоциация водорода резко возрастает и его растворимость уменьшается в
несколько раз;
Удаление кислорода.
В работе [1] описан наиболее простой
классический метод связывания кислорода, где чаще всего используется
металлическая медь, которая при температуре 400 °С энергично соединяется с
кислородом: 2Сu О2 → 2СuО;
2Сu 1/2О2 → Сu2О.
При этом 1 кг металлической меди может связать
при полном превращении 252 г или 176 л кислорода. Недостатком процесса является
достаточно высокая упругость паров диссоциации окиси меди, вследствие чего
остаточное содержание кислорода практически невозможно получить ниже 0,001 %.
Кроме того, высокая температура реакции и локальный разогрев реагента могут
привести к его спеканию и снижению активности.
Несколько эффективнее процесс очистки инертных
газов от кислорода протекает на активированной меди. Активированная, так
называемая губчатая, медь получается при многократно чередующемся процессе
восстановления в токе водорода и окисления в токе воздуха палочек меди длиной 5
мм и диаметром около 0,2 мм. Рабочая поверхность губчатой меди резко
возрастает, и при тем -пературе 200 оС содержание кислорода понижается до
0,000Х % .
Может использоваться также активная медь,
полученная восстановлением реактивной гранулированной (средний, размер гранул
3-4 мм) окиси меди, или таблетки, приготовленные из порошка окиси меди
прессованием
в виде цилиндриков высотой 5 мм и диаметром 6-8 мм.с применением в качестве
связующего жидкого стекла.
Следует иметь в виду, что в реальных условиях не
вся активная медь в слое полностью окисляется, так же как не удается полностью
восстановить СuО даже при продувке
слоя чистым водородом.
Одна из применяемых установок под названием
«медная колонка для очистки газов от кислорода». В этом случае медь, нанесенная
в тонкодисперсном состоянии на кизельгур, достаточно активно и полно (до 0,000Х
% О2 ) связывает кислород при температуре 180 0С
Процесс очистки инертных газов путем связывания
кислорода на закиси меди протекает в соответствии с реакцией 2Сu2О
О2 → 4СuО;
Оптимальная температура процесса 550-600 °С, а
при повышении температуры до 850-900 °С происходит обратный процесс диссоциации
окиси меди с образованием ее закиси и выделением кислорода. По сравнению с
активной и металлической медью ее закись значительно более устойчива к действию
высоких температур, кроме того, для ее восстановления не нужен водород, так как
кислород при повышении температуры до 850-900 °С может быть вынесен током
азота. При необходимости очистки инертных газов, содержащих незначительные
примеси кислорода, иногда используется кобальт и магний и различные
катализаторы — хромоникелевый, хромосиликатный и т. п.
Методы очистки с помощью активных металлов не
получили широкого применения в промышленности и используются в основном на лабораторных
установках.
Адсорбционная очистка аргона от кислорода.
Высокая степень очистки аргона от сравнительно
небольших примесей кислорода и азота достигается при использовании цеолитов так
называемых молекулярных сит [1].
Различают природные и искусственные цеолиты.
Природные цеолиты (лимонит, томсонит, морденит, натронит и др.) представляют
собой кристаллические алюмосиликаты щелочных и щелочноземельных металлов, в
состав которых входит кристаллизационная вода. В полностью гидратированном виде
это сплошные твердые тела, состоящие из кристаллов размером порядка микрона.
После дегидрации кристаллы некоторых цеолитов
приобретают пористую структуру с жестким алюмосиликатным скелетом. Поры в таких
кристаллах состоят из сферических полостей молекулярных размеров (0,6-1,2 нм),
соединенных одна с другой еще более узкими отверстиями-окнами (0,3-0,8 нм).
Дегидратированные цеолиты работают подобно молекулярным ситам. В пористую
структуру цеолитов проникают и там адсорбируются газы с размерами молекул
меньше диаметра отверстий в полостях кристалла. Напротив, для газов с крупными
или сложными и разветвленными молекулами пористая структура цеолита
является
барьером и они остаютсянеадсорбированными. Для промышленного использования в
качестве адсорбентов пригодны цеолиты, кристаллы которых не разрушаются при
дегидратации.
В настоящее время гидротермальным синтезом
получают искусственные цеолиты, которые нашли лабораторное и промышленное
применение для разделения газовых смесей, глубокой осушки и тонкой очистки
газов.
Цеолиты отличаются от обычных адсорбентов
(активированный уголь, силикагель, алюмогель) не только значительно меньшими
диаметрами пор, но и более высокой адсорбционной способностью при низких
парциальных давлениях газов, которая остается почти постоянной вплоть до
насыщения цеолита адсорбируемым газом.
В технике цеолиты применяют в виде гранул,
таблеток и шариков, состоящих из собственно цеолитов и связующих
адсорбентов-добавок (в количестве 10-15%).
При очистке аргона на цеолитах отпадает
необходимость в нагревании газа от температур, при которых проходит
ректификация, до высоких температур, сопровождающих процессы горения водорода.
Промышленные установки для получения чистого
аргона с использованием синтетических цеолитовразработаны и внедрены для
установок воздухоразделения большой производительности, (8000 -1000 м3/ч
перерабатываемого воздуха), на бывших ПО «Ижорский завод» и Черноморский
судостроительный завод, на Балашихинском кислородном заводе.
Разработаны и применяются блоки для получения
чистого аргона с использованием синтетических цеолитов на установках небольшой
производительности.
В проектах был принят вариант предварительной
очистки сырого аргона от азота методом ректификации в колоннах установок типа
БРА-2.
Опыт эксплуатации этих установок подтверждает
работоспособность установок типа БРА при разделении тройной смеси. Колонны типа
БРА с цеолитовым блоком очистки аргона от кислорода могут быть присоединены
непосредственно к основному воздухоразделительному аппарату или могут работать
автономно.
НаПО «Ижорский завод» введена в эксплуатацию
установка типа КТ-1000 Ар с цеолитовым блоком очистки аргона от кислорода.
В настоящее время Балашихинский кислородный
завод «Криогенмаш», Московский «Гелиймаш» и др. предлагают установки различных
аппаратов адсорб-ционной очистки и производительности с цеолитовыми
адсорберами.
1.2 Обоснование
выбора конструкции
Опыт эксплуатации установок типа УТА показал,
что они могут использоваться для непрерывной переработки сырого аргона при
содержании кислорода от 2 до 4 %. Установки обеспечивают получение аргона с
остаточным содержанием кислорода не более 0,001 %. Вместе с тем установка типа
УТА имеет и существенные недостатки. Она разработана на взрывоопасной основе,
сложная технологическая схема ее предусматривает включение циркуляционной
газодувки и наличие большого числа автоматических и других
контрольно-изме-рительных приборов. Необходимость применения чистого
электролитического водорода значительно повышает себестоимость получаемого
продукта (помимо цеха очистки аргона во многих случаях необходимо
предусматривать строительство водородного цеха). Получаемый продукт полностью
насыщается влагой и подлежит тщательной осушке перед после дующей переработкой.
Технология переработки сырого аргона в
рассматриваемом случае не совершенна в тепловом отношении: сырой аргон сначала
подогревается и выводится из блока глубокого охлаждения, затем очищается от
кислорода в реакторах, где температура повышается до 450 °С, а теплота реакции
не используется; после ряда технологических операций продукт снова охлаждается
и очищается от азота методом 3 ректификации. Коэффициент переработки т. е.
отношение количества сырого аргона к полученному чистому продукту, очень высок
и достигает 1,3, что означает потерю в среднем 20 % сырого аргона [1]. Продукт
увлажняется в контактных аппаратах и требует тщательной осушки перед очисткой
от азота и водорода. Наконец, возможность «разбавления» сырого аргона до
содержания в нем не более 2 % кислорода и необходимость последующей
ректификации технического аргона не стимулируют стремления к получению высоко
концентрированного сырого аргона.
Установка технического аргона УТА-5 занимает
отдельное здание с отделением для двух электролизных установок СЭУ-20.
Обслуживает весь участок очистки аргона от кислорода 15 человек, трех
профессий. Режим работы непрерывный. Установленная мощность электрооборудования
до 400 кВт., не считая резервного (дублирующего) оборудования. Площадь здания
до 1000 м2. Вне помещения расположены 5 сосудов для накопления водорода
емкостью 10 м3.
Рассмотренные методы очистки аргона от кислорода
в основном работают с применением водорода, в том числе и очистка с помощью
металлов.
Производительность установок очистки аргона от
кислорода с помощью металлов низкая и их применение целесообразно в лабораторных
условиях.
Рассмотрим цеолитовый адсорбер. По
производительности адсорбер и существующая установка УТА-5 не отличаются.
Существенным отличием адсорбционного метода очистки от существующего является
размещение установки и их обслуживание.
Предлагаемый метод адсорбционной очистки
предусматривает установку адсорберов непосредственно рядом с установкой
воздухоразделения по типуприменяемому на установке КТ-1000 Ар. Этот метод не
требует производства водорода, отдельного обслуживания аппаратчиками очистки газов.
Не требуется отдельного помещения. Адсорберы можно установить вне помещения.
Обслуживание адсорберов может производить аппаратчик обслуживающий установку
воздухоразделения.
Применение цеолитовых адсорберов явно снижает
эксплуатационные затраты, поэтому в проекте применяется установка такого типа.
2.
Технологические решения
2.1 Описание технологической схемы
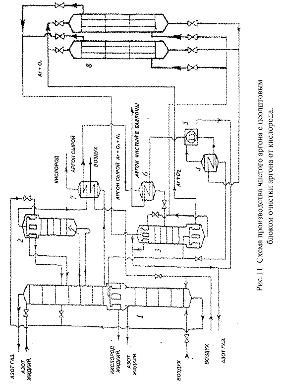
Установка для очистки аргона от кислорода (рис.
11) представляет собой блок из двух кожухотрубных адсорберов 8, трубки которого
заполнены цеолитом, а межтрубное пространство используется для подачи
хладагента или подогретого газа. Такая конструкция позволяет надежно
термостатировать очищаемый газ и цеолит как в процессе регенерации, так и в
процессе очистки аргона.
Давление газа соответствует рабочим параметрам
основных технологических процессов. Температура газа подбирается близкой к
температуре насыщенных паров поглощаемого кислорода, ниже 108 К. (минус 165
0С). При работе установки поочередно в одном адсорбере протекает адсорбция
кислорода из потока сырого аргона, в другом — десорбция. В процессе адсорбции
через межтрубное пространство пропускается жидкий воздух для отвода теплоты
адсорбции и поддержания адсорбента при достаточно низкой температуре.
В процессе десорбции через адсорбер проходит нагретый
до 353 К (80 0С) азот.
Для ускорения подогрева цеолита одновременно
непосредственно через слой адсорбента
продувается теплый азот. Последующее охлаждение адсорбента перед адсорбцией
достигается подачей холодного азота.
Адсорбцию кислорода, для предотвращения
попадания атмосферного воздуха в чистый газ, проводят под небольшимизбыточным
давлением.
Очистка аргона в слое цеолита типа NaA
при 93 °К (минус 180 0С) позволяет снизить содержание кислорода в аргоне до
0,001%.
Схема узла ректификации и очистки аргона
приведена на рис. 11. Воздух сжимается в компрессоре до давления 20 МПа (200
кгс/см2) и направляется через установку очистки воздуха от двуокиси углерода,
углеводородов и паров воды в куб колонны высокого давления 1 аппарата
двукратной ректификации. Перед колонной большая часть воздуха высокого давления
проходит через основной и аргонный теплообменник, а меньшая расширяется в
турбодетандере (эта часть оборудования на схеме не показана) и также поступает
в куб колонны 1. Кубовая жидкость, обогащенная по кислороду до 37 %, и
высококвалифицированная азотная флегма, через переохладители (на схеме не
показаны) за счет подогрева отбросного азота. Большая часть переохлажденной
кубовой жидкостиподается в межтрубное пространство конденсатора колонны сырого
аргона 2.
Сырой аргон с содержанием от 1 до 3 % кислорода
и от 1 до 5% азота отбирается из-под крышки конденсатора колонны 2 и
направляется через циркуляционный теплообменник 7 в конденсатор сырого аргона
6, где конденсируется.
Затем жидкий сырой аргон дросселируется в
среднюю часть колонны 3, работающую при давлении до 0,2 МПа, что обеспечивает
нормальную разность температур в конденсаторах колонны 3 и устойчивую ее
работу.
В качестве теплоносителя в трубное пространство
этого конденсатора подается азот, сжатый до 0,6 МПа, из нижней колонны 1.
Верхний конденсатор этой колонны дополнительно охлаждается жидким азотом,
подаваемым из основного блока разделения воздуха. Из верхнего конденсатора
колонны 3 отводится очень небольшой поток отбросных газов, потери аргона
сведены к минимуму и не превышают 5 %. При этом обеспечивается устойчивый режим
очистки аргона от азота, содержание которого не превышает 0,001 %.
Газообразная аргоно-кислородная смесь с
незначительной примесью азота (менее 0,001 %) поступает на разделение в один из
переключающихся адсорберов 8, трубное пространство которых заполнено цеолитом
марки NaA. Межтрубное
пространство адсорбера заполняется жидким азотом подаваемым из колонны 1.

За счет кипения азота охлаждаются адсорберы,
покрываются потери холода из-за теплопритоков через изоляцию и компенсируется
теплота адсорбции примесей. Аргонно-кислородная смесь при Т 93 К (минус 180 0С)
и давлении 0,13 — 0,16 МПа подается сверху и пропускается через слой
синтетического цеолита типа NaA,
который практически полностью и избирательно поглощает примеси кислорода.
Одновременно поглощаются следы азота и других микропримесей. Очищенный аргон,
содержащий менее 0,0005 % кислорода, направляется в конденсатор 4 и ожижается в
нем за счет кипения азота, переохлаждается до Т = 86 — 87 К (минус 186-187 0С)
и через теплообменник 6 нагнетается в баллоны насосом сжиженных газов 5.
2.2 Технологические расчеты
2.2.1 Исходные данные
Количество очищаемой аргоно-кислородной смеси
при Т — 293 К,
м3/ч……………………………………………………… 46,5
Рабочее давление,
МПа……………………………………………….. 0,25
Объемная доля кислорода в очищенном
аргоне,%………≤ 0,001
Динамическая емкость цеолита типа NаА
по кислороду до проскока, %
массы……………………………….. . 9
Ориентировочная скорость газового потока, л/(мин
∙ см2)… 0,1
Рабочая температура,
К……………………………………………………95
Количество кислорода, содержащегося в очищаемом
за 1 ч аргоне, составляет
![]()
Гдеpк= 1,43- плотность газообразного
аргона
Со — объемная доля кислорода, V- количество
смеси.
Количество очищаемого аргона при
условиях адсорбции

Площадь поперечного сечения рабочей
полости адсорбера

Число труб в адсорбере при их
принятом размере 63 х 2 мм

Принято ближайшее табличное значение,
равное 53; при этом площадь поперечного сечения рабочей полости составит

и несколько уменьшится скорость
газового потока

Вес цеолита в адсорбере при высоте
слоя Н = 2 м (200 см)
![]()
где pнас — расчетная насыпная масса
дегидратированного шарикового цеолита, равная 0,9 кг/л.
Минимальное время защитного действия
адсорбера, т. е. время между переключениями

В результате расчетов на
механическую прочность, которые здесь не приводятся, установлено, что толщина
обечайки составляет боб = 0,006 м, толщина днища бдн = 0,008 м, толщина трубной
решетки бр = 0,04 м.
Общая масса адсорбера будет состоят
из массы металла и цеолита
G = ∑Gм Gц
Gм = Gоб
∑Gтр
Gд Gр
Масса обечайки при высоте
цилиндрической части Lц = 2,25 м составит
Gо π∙Da∙ Lц ∙δоб∙ρм = 3,14∙0,91∙2,25∙0,006∙7800
= 301 кг.
Масса трубок при Lтр = 2,25 м

Определение массы днищ, два из
которых имеют диаметр около 910 мм и одно около 780 мм, производим по формуле



∑Gд = ![]()
Масса трубной решетки
![]()
![]()
Общая масса адсорбера с цеолитом
Gм = 301
356 168 160 260 = 1245 кг.
2.2.2 Расчет процесса первичной
регенерации
В результате расчета процесса
ректификации определяются необходимое количество греющего газа, его скорость и
мощность электроподогревателя.
Исходные данные
Количество цеолита в одном адсорбере
Gц,
кт……………………260
Площадь живого сечения адсорбера,
см2 ………………………….1445
Греющий газ…………………………………………………………
азот
Начальная температура азота tн,
0С………………………………… 20
Температура азота на входе в
адсорбер tвх,
0С……………………. 450
Средняя температура слоя цеолита tср,
°С……………………….. 420
Температура азота на выходе из
адсорбера в конце
процесса регенерации,
°С………………………………………… 430
Изоляция……………………………… …………………….
Шлаковата
При ρ = 300 кг/м2
δ = 500 мм
Количество регенерирующего газа (Вр)
определяется по тепловому балансу процесса регенерации
![]()
где t
— средняя
температура греющего газа на выходе из адсорбера, равная

tвых —
температура греющего азота на выходе из адсорбера, равная
tц 100 =
420 10 = 430 °С; t
— температура греющего азота на
выходе из адсорбера через 0,5 ч после начала регенерации, равная от 30 до 110
°С. Из уравнений (105) и (106) очевидно, что названные параметры процесса
регенерации, завися-щие от конструкции адсорбера (т. е. от способа передачи
теплоты от греющего газа к адсорбенту), определяющим образом влияют на
продолжительность регенерации или при заданном τ на мощность
электроподогревателя (в нашем случае τ = 10 ч); Q м —
количество тепла, затрачиваемого на нагревание металла адсорбера и части
коммуникаций (в том числе трубопровод от электроподогревателя до адсорбера),
(107)
∑м — общий вес нагреваемого
металла, величина которого подсчитывается по общеизвестной методике; в данном
случае ∑м ≈ 1000 кг; С м — теплоемкость металла при средней
температуре нагрева, равная ~ 0,13 ккал/(кг∙ град); ∆ tм- разность
температур соответствующих частей металла, составляющая
![]()
Таким образом, величина ![]()
Qадс. —
количество тепла, необходимого для нагревания адсорбента,
![]()
Сц — теплоемкость цеолита NaА при
средней температуре 220°, равная примерно 0,25 ккал/(кг ∙ град). Тогда Qадс = 260 ∙
0,25 (420 -20) = 26 000 ккал;
Q в —
количество тепла, затрачиваемого на десорбцию влаги, поглощенной цеолитом
условно в количестве 20% по массе
Q в = 0,2Сцqдес.
qдес.-
теплота десорбции, принятая равной 1000 ккал/кг (с учетом подогрева влаги до
100° С и изменения теплоты ее испарения с повышением температуры), Q в = 0,2 ∙260
∙1000 = 52000 ккал;
Qиз — количество
тепла, затрачиваемого на нагревание изоляции,
(109)
Vиз.-объем
нагреваемой изоляции, определяемый из условия прогрева слоя толщиной δ’ = 200 мм и равный
с учетом внешнего диаметра адсорбера Dадс.= 922 мм
и его высоты Н = 2800 мм

что составляет около 20% от
количества шлаковой ваты, пошедшей на изоляцию одного адсорбера; р — плотность
шлаковой ваты, доводимая при ее загрузке в кожух и утрамбовке до 300 кг/м3
Сиз. — теплоемкость изоляции при
средней температуре подогрева
(420 20)/ 2 = 220 0С, принятая
равной 0,22 ккал/(кг∙град)
Тогда Q из = 1,8 ∙300
∙ 0,22 (220 -20) = 23 760 ккал;
Qо.с — из
потери тепла через изоляцию в окружающую среду, принимаемые равными [2]

Количество регенерирующего азота,
определяемое по уравнению (105) и отнесенное к τ = 10 ч и t = 20 °С,
составляет
![]()
![]()
Скорость регенерирующего газа,
отнесенная к 20 °С и полному живому сечению адсорбера, составляет

Полученное значение, находится в
пределах допустимых величин, однако для предотвращения излишнего истирания
цеолита в процессе длительной эксплуатации большая часть греющего азота на
практике обычно посылается в межтрубное пространство адсорбера. Сопротивление
слоя адсорбента коммуникаций и арматуры не превышает 0,5 кгс/см2.
Мощность электроподогревателя
определяется по выражению

и с учетом коэффициента запаса
(1,3-1,4), обеспечивающего покрытие неучтенных потерь тепла и возможность
автоматического регулирования электроподогревателя, равна
![]()
2.2.3 Определение расхода газа для
охлаждения адсорбера после регенерации
На первом этапе охлаждения,
продолжительность которого составляет от 4 до 8 ч, адсорбер охлаждается
примерно до 40° С за счет продувки его межтрубного пространства воздухом или
азотом.
Количество теплоты, аккумулированной
металлом, адсорбентом и изоляцией, определяется по формулам (107) — (109) и
составляет:
Q
= 1000 ∙0,13
∙ (420 -40) = 49400 ккал;
Q
= 260 ∙
0,25∙ (420 -40) = 24 700 ккал;
Q
= 1,8 ∙
300 ∙ 0,22 ∙ (220- 40) = 33264 ккал.
Потери тепла в окружающую среду
составляют

Таким образом, на первом этапе
охлаждения от адсорбера необходимо отвести следующее количество теплоты:
364 — 21 473 = 85 891 ккал.
При средней температуре азота,
равной
t
=
(420 40)/2 = 2З0 °С,
его расход, вычисленный по уравнению
(110), составит

2.2.4 Определение количества хладагента,
необходимого для охлаждения адсорбера до рабочей температуры.
На втором этапе охлаждения адсорбера
до рабочей температуры, равной 93 К, в качестве хладагента используется жидкий
кислород, кипящий в межтрубном пространстве при избыточном давлении р = 0,3
кгс/см2
Количество теплоты, отводимой от
металла адсорбера, цеолита и части изоляции, определяется по уравнениям (107) —
(109). Значения теплоемкости (в ккал/(кг ∙ град) для соответствующих
материалов при средней температуре
Т
= ![]()
для нержавеющей стали………См = 0,1
для цеолита ……………………Сц = 0,18
для шлаковой ваты…………. Сиз = 0,14
Тогда Q
= 1000 ∙0,1
∙ (313 — 93) = 22000 ккал;
Q
= 260 ∙
0,18 ∙ (313 -93) = 10296 ккал;
Q
= 1,8 ∙
300 ∙ 0,14 ∙ (
) = 8316
ккал.
Потери холода из-за теплопритоков
через изоляцию определяются с учетом опытного значения удельных теплопритоков,
равных для одного адсорбера q
= 15 ккал/м3 перерабатываемого
аргона,
Q
= 15 ∙
46,5 = 697,5 ккал/ч.
Количество хладагента, расходуемого
на охлаждение одного адсорбера в течение 8 ч до рабочей температуры, составляет
Q
=
697,5/49,7 40612/8 * 49,7 = 116 кг/ч,
где 49,7 ккал/кг — теплота испарения
1 кг О2 при р = 0,3 кгс/см2.
После охлаждения адсорбера хладагент
расходуется лишь на покрытие теплопритоков через изоляцию и теплоты адсорбции,
составляющей 3700 ккал/моль или 115,5 ккал/кг
Таким образом, расход жидкого
кислорода в рабочем режиме

3.
Конструкторская часть
3.1 Назначение и область применения
проектируемого аппарата
Адсорбер предназначен для очистки сырого аргона
(содержание кислорода в сыром аргоне выше допустимого). Два адсорбера
составляют установку по очистке аргона. Установка располагается непосредственно
рядом с блоком разделения воздуха низкотемпературной ректификацией из которой отбирается
аргонная фракция и направляется в установку очистки.
Адсорбер представляет собой вертикальный
цилиндрический аппарат высотой 2800 мм, диаметром 922 мм., с эллиптическими
днищами, с плоскими трубными решетками с приваренными трубами. Трубы адсорбера
заполнены цеолитом. По межтрубному пространству протекает жидкий азот, по
трубам проходит газообразный аргон. При работе установки поочередно в одном
адсорбере протекает адсорбция кислорода из потока сырого аргона, в другом —
десорбция.
Цеолитовые адсорберы кислорода работают в
условиях значительных перепадов температур от плюс 450 до минус 180 °С. Все
детали адсорбера изготовлены из легированной, криогенной стали Х18Н10Т (ГОСТ
7350-77).
Материал опоры — сталь 3.
Материал прокладок — паронит ПОН- 2 (ГОСТ 481-80).
3.2 Механические расчеты
Техническая характеристика кислородного
адсорбера
Параметры | Регенерация | Очистка | Десорбция |
Трубное | |||
Среда | Азот | Аргон | Кислород |
Давление, | 0,3 | 2 | 1,4 |
Температура | До | 95-100 | до |
Межтрубное | |||
Среда | Азот | Азот | Азот |
Давление, | 0,3 | > | 0,3 |
Температура | До | 93 | До |
Расчету на прочность подлежат:
. Днища.
. Решетки трубные
. Обечайка
. Фланцевые соединения.
. Опоры.
.2.1 Расчет толщины стенки обечайки
Материал из которого изготовлена обечайка
аппарата 12Х18Н10Т
σв=540 МПа d = 0,038 м.
σТ= 240 МПа
Определим расчетную толщину стенки
обечайки по формуле 9 [3].

где Р = 0,6 МПа рабочее давление
Rв = D = 0,91 м —
внутренний диаметр обечайки
Температура расчетная tрасч = 450
0С
При t = 450 0С
допускаемое напряжение ![]()
=132 МПа. (табл. 7 [3])
φр = 0,9 — коэффициент
прочности сварного шва (табл. 20 [3])
≥ SR C
С = С1 С2 — суммарная прибавка к
расчетной толщине
С1 = проницаемость среды в материал
(скорость коррозии), м/год;
C1 = П×tВ
tВ-
срок службы аппарата, год.
Принимаем П = 0,1 мм/ год, tВ=20 лет.
C1 = 0,1× 20 = 0,002
м.
С2 — прибавка для компенсации
минусового допуска
С2= 0,00016 м.
С = 0,002 0,00016 = 0,00216 м.
Толщина стенки
S= 0,0023
0,00216 = 0,0045 м
Принимаем S = 6 мм.
Допускаемое внутреннее избыточное давление
следует рассчитывать по формуле 10 [3].
![]()
![]()
Пробное давление при гидравлическом
испытании ![]()
, МПа определим по формуле:
σ20=184 МПа(табл. 7 [3])
σТ=198 МПа(табл. 15 [3])
подставим значения в формулу:
![]()
принимаем Ри = 0,7 МПа
Определим напряжение при испытании
по формуле:
(3.4)
![]()
![]()
Условие σи< [σ]выполняется
Определение наибольшего допускаемого
диаметра отверстия, не требующего дополнительного укрепления, [4] Cтр.6.
(3.5)
где S = 0,006 м.
— толщина стенки
SR = 0,0023 м
— расчетная толщина стенки без прибавок
DR = D = 0,91 м.

dR = d 2CS
d = 0,033 м —
внутренний диаметр штуцера (труба 38 х 2,5)
СS= 0,00045 м.
— прибавка для компенсации минусового допуска штуцера.
dR= 0,033 2∙0,00045
= 0,034 м.
dR=0,034 <d0 = 0,102
Отверстие является одиночным и не
требует дополнительного укрепления.
Приведенные выше формулы применимы
при
0,034/0,91 = 0,037
0,006/0,91 = 0,006
3.2.2 Расчет толщины стенки
эллиптического днища
Материал: сталь 12Х18Н10Т, ГОСТ
5632-72
= 540Мн/м2 — предел прочности.
= 240Мн/м2 — предел текучести
h = 0,1 м. hI = 0,025 м.
Толщина стенки эллиптического днища
аппарата SЭ.
SЭ ≥ SЭ.R С,
где SЭ.R — расчётная
толщина стенки эллиптического днища
SЭ.R= ![]()
где Р = 0,6 МПа — рабочее давление в
аппарате;
R = D = 0,91 м
[σ] = 132 МПа.
(табл. 7 [3]) — допускаемое напряжение материала аппарата;
j
— коэффициент прочности сварного шва.
P = PРАБ PГИД
где PРАБ-
давление в аппарате, МПа;
PГИД —
гидростатическое давление жидкости в аппарате, МПа.
PГИД =rЖИД×g×h
где rЖИД — плотность
жидкости (жидкий азот), кг/м3;
g — ускорение
свободного падения, м/с2;
h — высота столба
жидкости, 2,5 м.
Плотность жидкости, rЖИД=
800 кг/м3
PГИД =800 ×
9,81×
2,5 = 0,02 МПа.
× 100% = 3,3% , что меньше 5%,
следовательно: P = 0,6 МПа
SЭ.R =
= 0,0023 м.
SЭ ≥
0,0023 0,00216 = 0,0045 м.
Исходя из конструктивных соображений
принимаем SЭ =0,006 м.
Определение наибольшего допускаемого
диаметра отверстия в днище, не требующего дополнительного укрепления, [4] Cтр.499
S= 0,006 м.
толщина стенки без прибавки
DR = D = 0,91 м.

dR = d 2CS
d = 0,033 м —
внутренний диаметр штуцера (труба 38 х 2,5)
СS= 0,00045 м.
— прибавка для компенсации минусового допуска штуцера.
d1 = 0,033
2∙0,00045 = 0,034 м.
d1 =0,034<d0 = 0,102
Отверстие является одиночным и не
требует дополнительного укрепления.
Приведенные выше формулы применимы
при
0,034/0,91 = 0,037
0,006/0,91 = 0,006
Условия выполняются.
Пробное давление при гидравлическом
испытании ![]()
, МПа определим по формуле:
Определим напряжение при
гидроиспытании по формуле:
![]()
![]()
МПа
Условие σи< [σ]выполняется
3.2.3 Решетка трубная
Материал; сталь 12Х18Н10Т
= 540Мн/м2 — предел прочности.
= 240Мн/м2 — предел текучести
Ртр = 0,6Мн/м2
Определение номинальной расчетной
величины толщины решетки.

Принимаем h = 0,012 м
K = 0,47 —
коэффициент (стр.637, табл.25,1 [4])
Dв = 0,91м —
диаметр решетки
σдоп = 132
МПа. (табл. 7 [3])
С = 0,002 — прибавка для компенсации
коррозии
С2= 0,0012 — прибавка для
компенсации минусового допуска
φ = 0,5 — коэффициент
ослабления решетки
![]()

Принимаем h = 0,04 м.
Определение напряжений, возникающих
в решетке при гидравлических испытаниях.


,7 <
МПа
Условие сохранения прочности
выполнены.
Действительные напряжения в решетке

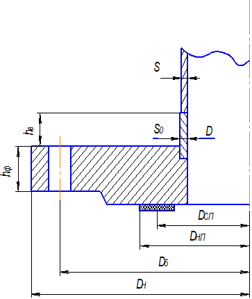
3.2.4 Расчёт фланцевого соединения

Фланец
Согласно [2, табл.1.36] выбираем
плоский приварной фланец с уплотнительной поверхностью типа «шип — паз» при D = 910 мм и PP = 0,6 МПа.
Материал фланца — 12Х18Н10Т, материал болтов — сталь 35 Х.
Определение конструктивных размеров
фланца:
Определим толщину втулки фланца S0 .
Принимаем S0 = 8 мм.,
что удовлетворяет условию:
S0>S,
где S — толщина
стенки штуцера, мм.
мм. > 6 мм.
Определим высоту втулки фланца hB .
hB> 0,5∙![]()
hB> 0,5
= 30,2 мм.
Принимаем hB= 50 мм.
Определим диаметр болтовой
окружности DБ .
DБ ≥ D 2 (2 S0 dБ u )
где dБ — наружный
диаметр болта, мм.
u —
нормативный зазор между гайкой и втулкой , мм.
Принимаем dБ = 20 мм
при D = 800 мм и PP = 0,05 МПа
, [2,табл. 1.40];
u= 4 мм, [2,
стр. 95].
DБ ≥
910 2 (2 ∙ 6 20 4) = 982 мм = 0,982 м ≈ 1 м.
Принимаем DБ = 1000 мм
= 1 м.
Определим наружный диаметр фланца DH .
DH ≥ DБ a
где a —
конструктивная добавка для размещения гаек по диаметру фланца, мм.
Принимаем a = 40 мм для
шестигранных гаек при dБ = 20 мм, [2, табл. 1.41].
DH ≥ 1000
40 = 1040 мм.
Определим наружный диаметр прокладки
D Н.П .
D Н.П = DБ — e ,
где e —
нормативный параметр, зависящий от типа прокладки, мм.
Принимаем e = 30 мм для
плоских прокладок, [2, табл. 1.41].
D Н.П = 1000
— 30 = 970 мм.
Определим средний диаметр прокладки D С.П .
D С.П = D Н.П — b
где b — ширина
прокладки, мм.
Принимаем b = 15 мм,
[2, табл. 1.42].
D С.П = 970 —
15 = 955 мм = 0,955 м.
Определим количество болтов,
необходимых для обеспечения герметичности соединения nБ .
nБ>π ∙ DБ / tШ
где tШ — шаг
размещения болтов М 20 на болтовой окружности, мм.
tШ = 4,5 ∙
dБ (3.23)
tШ = 4,5 ∙
20 = 90 мм.
nБ> 3,14 ∙
900 / 90 = 31,4
Принимаем nБ = 32,
кратное четырём.
Определим толщину фланца hФ.
hФ>λФ![]()
где λФ —
поправочный коэффициент;
SЭК —
эквивалентная толщина втулки, мм.
Принимаем λФ = 0,45 для
плоских фланцев при PP = 0,6 МПа, [2, рис. 1.40]
SЭК = S0
= 6 мм, так как для плоских фланцев β1= S1
/ S0 =1 .
hФ> 0,45
= 33,2 мм.
Принимаем hФ = 34 мм.
Определим расчётную длину болта l
lБ = lБ.О 0,28 dБ
где lБ.О-
расстояние между опорными поверхностями головки болта и гайки, мм.
lБ.О = 2 ( hФ hП )
где hП — высота
прокладки, мм.
Принимаем hП = 2 мм.
lБ.О = 2∙
( 34 2 ) = 72 мм.
lБ. = 72
0,28 ∙ 20 = 77,6 мм.
Принимаем стандартную длину болта lБ. = 90 мм.
Определим равнодействующую
внутреннего давления FД.
FД= ![]()
FД =
= 0,43 МН.
Определим реакцию прокладки RП .
RП = π ∙ D С.П ∙
b0 ∙ kПР ∙ PP
где b0 —
эффективная ширина прокладки, мм;
kПР —
коэффициент, зависящий от материала и конструкции прокладки.
Принимаем b0 = b = 15 мм.
[2, стр. 97],
kПР = 2,5 для
паронита толщиной ≥ 1 мм. [2, табл. 1.44].
RП = 3,14 ∙
0,955 ∙ 0,015 ∙ 2,5 ∙ 0,6 = 0,0675 МН.
Определим усилие, возникающее от
температурных деформаций Ft .
Ft= ![]()
где αФ ,αБ —
соответственно коэффициенты линейного расширения материала фланцев и болтов, 1/˚С
;
tФ —
расчётная температура неизолированных фланцев, ˚С;
tБ —
расчётная температура болтов ˚С;
fБ —
расчётная площадь поперечного сечения болта М20, м2 ;
ЕБ — модуль упругости материала
болтов, МПа ;
уБ ,уФ , уП — податливости,
соответственно болтов, фланцев, прокладки, м / МН .
Принимаем по [2, табл. XI], αФ = 17,9 ∙
10 -6 1/˚С и по [2, табл. XI], αБ = 13,3 ∙
10 -6 1/˚С . По таблице 1.37 [2],
tФ = t
tФ = 450 /˚С.
tБ = 0,97 ∙ t
tБ = 0,97 ∙
450 = 436,5˚С.
Принимаем по [2, стр.98], fБ
= 2,35 ∙10 -4 м2 для болтов диаметром dБ
= 20 мм.и по [2, табл. VII],
ЕБ = 1,4 ∙ 105 МПа.
уБ =
, (3.31)
уБ =
= 8,5 ∙ 10 -6 м / МН.
уП = ![]()
где ЕП — модуль упругости прокладки,
МПа
kП —
коэффициент обжатия прокладки.
Принимаем kП = 1 [2,
стр.99].
Согласно [2, табл. 1.44] :
ЕП = 2000 МПа
уП =
= 22,2 ∙ 10 -6 м / МН.
уФ =
, (3.34)
где v, ,λ`Ф —
безразмерные параметры ;
Е — модуль упругости материала
фланца, МПа.
Принимаем Е = 1,75 ∙ 10 5 МПа
, [2, табл. VII ].
λ`Ф =
,
λ`Ф =
= 15,52.
Ψ2 = ![]()
Ψ2 =
= 15
Ψ1 = 1,28 lg (DH / D)
Ψ1 = 1,28 lg (1,040 /
0,91 ) = 0,07.
v= ![]()
v =
= 0,02.
уФ =
= 1,53 1/(МН∙м).
Ft =
= 0,00076
МН.
Определим коэффициент жёсткости
фланцевого соединения kЖ .
kЖ = ![]()
kЖ =
= 1,83.
Определим болтовую нагрузку в
условиях монтажа FБ1 .
FБ 1 = max
FБ 1 = max
= 0,8 МН.
где РПР — давление обжатия
прокладки, МПа
Принимаем РПР = 35 МПа для
паронитовой прокладки [2, табл. 1.44].
Определим болтовую нагрузку в
рабочих условиях FБ 2.
FБ 2 = FБ
1 ( 1 — kЖ ) FД
Ft
FБ 2 = 0,8 ( 1 —
1,83) 0,43 0,0008 = 0,44 МН.
Определим приведённый изгибающий момент М0.
М0 = max
,
где [σ]20 , [σ] — допускаемые
напряжения для материала фланца, соответственно при 20 ˚С и расчётной
температуре t = 200 ˚С
, МПа.
Принимаем по [2, табл. 1.3] ,
[σ]20 = 141 МПа
и по [2, табл. 1.3] , [σ]
= 107 МПа.
М0 = max
=0,013 МН∙м.
Проведём проверку прочности и
герметичности соединения.
Условие прочности болтов при монтаже
фланцевого соединения и в его рабочем состоянии выполняется :
≤ [σ]Б.20
где [σ]Б.20 —
допускаемое напряжение материала болтов при t = 20 ˚С
, МПа.
Принимаем [σ]Б.20 = 230
МПа , [2, табл. 1.38].
= 53,19 МПа < 230 МПа.
≤ [σ]Б
где [σ]Б —
допускаемое напряжение материала болтов при расчётной температуре t = 190 ˚С
. МПа.
Принимаем [σ]Б = 225,5
МПа , [2, табл. 1.38].
= 51,86 МПа < 225,5 МПа.
Условие прочности прокладки
выполняется :
≤ [РПР]
где [РПР] — допускаемое давление
обжатия паронитовой прокладки , МПа.
Принимаем : [РПР] = 130 МПа , [2,
табл. 1.44].
FБ max = max![]()
FБ max = max {0,4 МН ;
0,39 МН} = 0,4 МН.
= 9,93 МПа < 130 МПа.
Определим максимальное напряжение в
сечении, ограниченном размером S0 .
σ0 = fФ ∙ σ1 = fФ![]()
где fФ ,ТФ —
безразмерные параметры ;
S1 — толщина
втулки фланца, мм;
D* —
эквивалентный диаметр, мм.
Так как у плоского приварного фланца
втулка цилиндрическая, следовательноS1 = S0 = 0,006 м.
Принимаем fФ = 1, так
как S1 / S0 = 1;
D* = D = 0,8 м,
так как D> 20S0 (0,8м >
20 ∙ 0,012 = 0,24).
ТФ =
;
ТФ =
= 1,84.
σ0 = 1
= 37,37
МПа.
Определим напряжение во втулке от
внутреннего давления:
тангенсальное
σt =
,
σt =
= 5 МПа.
меридиональное
σm = ![]()
σm =
= 2,5 МПа.
Условие прочности для сечения,
ограниченного размером S0 , выполняется :
<ψ∙[σ]0
где [σ]0 — допускаемое
напряжение для фланца из титана ВТ1-0 в сечении S0 при РР =
0,05 МПа, МПа.
[σ]0 = 0,003∙Е
[σ]0 = 0,003 ∙ 1,01
∙ 10 5 = 303 МПа.
= 37,62 МПа < 0,8 ∙ 303 =
242,4 МПа.
Определим окружное напряжение в
кольце фланца σК .
σК = ![]()
σК =
= 152 МПа.
Условие герметичности фланцевого соединения
выполняется :
θ = (σК / Е)(D / hФ ) ≤ [θ]
где θ — угол
поворота фланца, рад. .
Принимаем [θ] = 0,013 рад.,[2,стр.
102].
θ = (152 / 1,01 ∙ 10
5) (0,8 / 0,031) = 0,00038 рад. < 0,013 рад.
4. Методы сборки, монтажа, обслуживания и
ремонта
.1 Сборка и монтаж блока адсорберов
Выверкой оборудования является установка машин и
аппаратов в проектное положение с заданной точностью (в пределах допусков)[31].
К выверке относятся установка оборудования по заданным отметкам и осям, выверка
горизонтальности, вертикальности, уклонов, прямолинейности и соосности
отдельных частей машин и аппаратов. Трудоемкость выполнения выверочных операций
достигает 15 — 20 % общей трудоемкости при монтаже оборудования. До установки
оборудования на фундамент необходимо подготовить опорные элементы (пластины,
клинья, инвентарные домкраты), т.е. установить их на выровненную поверхность
фундамента горизонтально на проектную отметку относительно реперов.
Измерительным инструментом являются уровни и нивелиры. Уровень может быть выполнен
в виде бруска (с длиной рабочей поверхности 200-250мм) — брусковый, и в виде
рамки — (рамный). Рамный уровень используют для выверки горизонтальных и
вертикальных поверхностей. Цена деления (точность) уровня 0,02; 0,05; 0,1; 0,15
мм/м. Для проверки конструкций большой длины на горизонтальность применяют
гидравлические уровни, которые представляют собой две головки, соединенные
гибким шлангом (как сообщающиеся сосуды
Для выравнивания аппаратов по вертикали
необходимо использовать подкладки и клинья, заранее установленные под опорное
кольцо аппарата.
Допускаемые отклонения образующих аппаратов от
вертикальности: для насадочных колонн 0,03 % высоты аппарата, но не более 35
мм.
При выверке аппаратов отклонения от проектных
осей и отметок, а также от горизонтальности и вертикальности составляют:
главных осей аппарата в плане ±10 мм; фактической высотной отметки аппарата ±10
мм; оси вертикального аппарата от вертикали 3 мм на 1 м, но не более 35 мм;
Аппарат колонного типа может быть освобожден от
грузоподъемных средств только после окончательной выверки и закрепления
фундаментными болтами.Аппарат после установки должен быть закреплен на все
фундаментные болты. До окончания затяжки гаек фундаментных болтов не
разрешается проводить работы, могущие вызвать смещение аппарата.Аппарат на
месте монтажа должен быть заземлен в соответствии с «Правилами защиты от
статического электричества в химической, нефтехимической и
нефтеперерабатывающей промышленности» и ГОСТ 21130-75.
Перед сборкой фланцевых соединений весь крепеж
должен быть проверен на качество изготовления. Шпильки, предназначенные для
работы при температуре свыше 300°С, должны быть прографичены.
Перед затяжкой болтов необходимо убедится в
правильности установки прокладки, в наличии полного комплекта крепежных изделий.
Перекос фланцев, а также неполный комплект крепежа не допускается.
Затяжку шпилек (болтов) фланцевых соединений
производить стандартными ключами.
Пользоваться для затяжки различными удлинителями
не допускается.
Затяжка шпилек (болтов) производится равномерно
в 3-4 приема в последовательности, схематично представленной на рисунке 4.1.

Рисунок 4.1 — Схема затяжки болтов
Через два часа после затяжки шпилек (болтов)
производится их дополнительная подтяжка. Подтяжка шпилек во время работы
аппарата не допускается.
Строповка производиться за специальные строповые
устройства или в соответствии со схемой строповкис учетом массы груза и усилий,
которые могут возникнуть в период подъема и установки аппарата
Перед демонтажом следует сбросить давление,
удалить остатки продукта промывкой и продувкой, убедиться в отсутствии давления
и вредных и взрывоопасных продуктов в аппарате, отсоединить аппарат от
трубопроводов, освободить от фундаментных болтов. Освобождение от фундаментных
болтов аппаратов колонного типа.
Блок адсорберов состоит из двух адсорберов.
Каждый адсорбер имеет вес
до 1 т, поэтому изготовление и сборку необходимо
провести в производственном помещении где имеются соответствующие
грузоподъемные механизмы.
Перед заполнением адсорбера цеолитом внутренние
полости аппарата и
труб должны быть тщательно очищены, обезжирены и
высушены. При сборке не допускать попадания пыли и влаги на аппараты. После
сборки все штуцера должны быть заглушены.
Адсорберы устанавливаются в каркасе (рама) и
составляют блок адсорберов.
Адсорберы связаны между собой трубопроводами
подвода и отвода газов, имеется запорная и предохранительная арматура, которая
монтируется на каркасе блока.
Расположение узлов представлено на
монтажно-технологической схеме.
4.2 Обслуживание и ремонт
Аппараты подлежат обследованию
(диагностированию) и ремонтам в сроки, предусмотренные графиками, утвержденными
техническим руководителем организации.
Капитальные и текущие ремонты оборудования
производятся по разработанным планам организации (ПОР). ВПОР должны быть
предусмотрены меры, обеспечивающие безопасность проведения ремонтных работ, а
также указаны лица, ответственные за соблюдение требований безопасности.
Неисправность адсорберов выявится по результатам
анализа очищаемого газа или по состоянию теплоизоляции. Подлежащие ремонту
адсорберы должны быть тщательно очищены от загрязнений. Перед ремонтом
необходимо осмотреть аппарат для выявления трещин, течи, остаточных деформаций.
Подготовительные работы к ремонту включают:
вскрытие аппаратов, осмотр и чистку аппарата; составление дефектной ведомости;
подготовку ремонтных площадок, заготовку необходимых материалов, деталей,
инструментов, механизмов и приспособлений.
Для поддержания аппарата в исправном состоянии
сосуда обязан своевременно проводить в соответствии с графиком его ремонта. При
ремонте следует соблюдать требования по технике безопасности, изложенные в
разделе 7 «Безопасность и экологичность проекта».
Ремонт сосудов и их элементов, находящихся под
давлением не допускается.
До начала производства работ внутри сосуда,
соединенного с другими работающими сосудами общим трубопроводом, сосуд должен
быть отделен от сосудов и трубопроводов заглушками или отсоединен.
Отсоединенные трубопроводы должны быть заглушены.
Применяемые для отключения сосуда заглушки,
устанавливаемые между фланцами, должны быть соответствующей прочности и иметь
выступающую часть (хвостовик), по которой определяется наличие заглушки. При
установке прокладок между фланцами они должны быть без хвостовиков.
Перед вскрытием аппарата следует убедиться, что
давление в аппарате атмосферное, температура снижена до нормальной, вредная,
взрывоопасная и
пожароопасная среда в аппарате отсутствует,
особенно тщательно обращать внимание на застойные места. При необходимости
должен быть произведен анализ воздушной среды на отсутствие вредных или других
веществ, превышающих предельно допустимые концентрации (ПДК). Работы внутри
сосуда должны выполнятся по наряду-допуску.
При работе внутри сосуда (внутренний осмотр, ремонт,
чистка и т.п.) должны применяться безопасные светильники на напряжение не выше
12 Вво взрывобезопасном исполнении.
Трубы, загрязненные отложениями, очищают
шариками, ершами, сверлами, щетками, скребками. Операции чистки механизируют,
используя пневмо- и электроинструмент.
Вследствие изменений давления, температуры,
концентрации и других параметров аппараты в процессе эксплуатации подвергаются
различным воздействиям, приводящим к появлению дефектов. Дефекты подразделяют
на явные и скрытые. Явные (поверхностные) дефекты обнаруживают визуально, а
скрытые (внутренние и поверхностные, не различимые глазом) — с помощью
специальных методов и средств.
По происхождению дефекты подразделяют на
производственные и эксплуатационные. Производственные дефекты — металлургические,
возникающие при отливке и прокатке, и технологические, образующиеся при сварке,
механической, термической и других видах обработки и т.д.
К металлургическим дефектам относятся:
горячие и усадочные раковины, пористость;
неметаллические включения, попадающие в металл
извне, или включения
частиц оксидов, сульфидов, силиконов,
образующихся внутри металла;
плены в отливках — пленки на поверхности или
внутри отливки, состоящие из оксидов, часто с включениями формовочного
материала и т.п.;
К технологическим дефектам относятся:
трещины в зоне сварного шва;
непровар — отсутствие сплавления между основным
и наплавленным металлом в корне шва или по кромке, а также между отдельными
слоями (проходами) при многослойной наплавке;
шлаковые включения в металле шва — небольшие
объемы, заполненные неметаллическими веществами (шлаками, оксидами);
смещение кромок — смещение осевых линий при
сварке стыкуемых элементов;
К эксплуатационным дефектам относятся
перечисленные ниже коррозионные поражения и механические повреждения.
Коррозионные поражения встречаются на различных
элементах аппаратов. Степень коррозионного поражения зависит от активности
среды, качества защитных покрытий, сочетания материалов в элементах и других
факторов.
Элементы металлоконструкций отбраковывают при
износе толщины их стенки на 30% от проектной.
Развальцовочные соединения и трубы с трубной
решеткой ремонтируют доразвальцовкой. Данные соединения заваривают также
аргонодуговой или электродуговой сварной.
Для поддержания аппарата в исправном состоянии
сосуда обязан своевременно проводить в соответствии с графиком его ремонта. При
ремонте следует соблюдать требования по технике безопасности, изложенные в
разделе 7 «Безопасность и экологичность проекта».
Ремонт сосудов и их элементов, находящихся под
давлением не допускается.
До начала производства работ внутри сосуда,
соединенного с другими работающими сосудами общим трубопроводом, сосуд должен
быть отделен от сосудов и трубопроводов заглушками или отсоединен.
Отсоединенные трубопроводы должны быть заглушены.
Применяемые для отключения сосуда заглушки,
устанавливаемые между фланцами, должны быть соответствующей прочности и иметь
выступающую часть (хвостовик), по которой определяется наличие заглушки. При
установке прокладок между фланцами они должны быть без хвостовиков.
Перед вскрытием аппарата следует убедиться, что
давление в аппарате атмосферное, температура снижена до нормальной, вредная,
взрывоопасная и пожароопасная среда в аппарате отсутствует, особенно тщательно
обращать внимание на застойные места. При необходимости должен быть произведен
анализ воздушной среды на отсутствие вредных или других веществ, превышающих
предельно допустимые концентрации (ПДК). Работы внутри сосуда должны выполнятся
по наряду-допуску.
При работе внутри сосуда (внутренний осмотр,
ремонт, чистка и т.п.) должны применяться безопасные светильники на напряжение
не выше 12 Вво взрывобезопасном исполнении.
5. Безопасность и экологичность проекта
Разделение воздуха является одним из наиболее
совершенных современных поточных технологических процессов. Аппараты и машины
воздухоразделительных установок оборудованы необходимыми
контрольно-измерительными приборами и предохранительными устройства ми. Однако
высокий технический уровень производства еще не гарантирует надежной и безопасной
работы оборудования. Необходимым условием для этого является высокая культура
производства, техническая дисциплина и четкое выполнение требований
технологических инструкций и правил техники безопасности. Наряду с общими
правилами без опасности, действующими в различных отраслях промышленности, для
каждого вида производства существуют свои правила, учитывающие его особенности.
.1 Техника безопасности при работе с кислородом
Все процессы окисления и горения как в
газообразном, так и в жидком кислороде идут значительно интенсивнее, чем в
воздухе. В газообразном кислороде горят, например, черные металлы.
Соприкосновение органических веществ, в
частности масла с газообразным кислородом, особенно при высоких давлениях или
температурах, может привести к взрыву. Твердые горючие материалы в смеси с
жидким кислородом образуют взрывчатые вещества — оксиликвиты, которые при
детонации взрываются с большой силой.
Эти свойства кислорода требуют применения
специальных материалов для изготовления сосудов, трубопроводов, арматуры и
деталей, соприкасающихся с кислородом. Кроме того, при работе с жидким и
газообразным кислородом в помещениях, в которых производится, хранится и
газифицируется кислород, а также там, где проходят кислородопроводы, требуется
соблюдать специальные меры предосторожности. Следует иметь в виду во всех
случаях, что плотность кислорода больше, чем воз духа (плотность кислорода по
отношению к воздуху составляет — 1,1). При утечках кислород вытесняет воздух и
смешивается с ним, создавая опасность взрыва, особенно в нижней части
помещений, в траншеях и углублениях, где может оставаться долгое время.
Основные меры обеспечения безопасности при
работе с газообразным кислородом независимо от вида оборудования сводятся к
следующему:
. Необходимо обеспечивать герметичность сосудов,
трубопроводов, арматуры, чтобы исключить утечку кислорода и повышение его
концентрации в воздухе. Особенно опасна утечка кислорода в небольших
помещениях, колодцах, траншеях и т. д.
. Зажигать огонь, курить в помещениях и на территории
кислородной станции воспрещается. Курить можно только в специально отведенных
местах. Следует иметь в виду, что после пребывания в атмосфере кислорода или
воздуха, обогащенного им, одежда, волосы, обтирочные материалы пропитываются
кислородом и могут загореться при зажигании огня и курении. Поэтому одежду
необходимо проветривать.
. Для продувок всякого рода трубопроводов и
сосудов, очистки де талей нельзя пользоваться газообразным кислородом, а только
воздухом или азотом.
. При ремонте сосудов и трубопроводов, в которых
содержался или мог содержаться кислород, а также при работе в траншеях и
колодцах, где возможно присутствие кислорода, нельзя начинать работы до тех
пор, пока кислород не будет удален продувкой воздухом. Состав атмосферы после
продувки должен быть проверен анализом. Это правило относится не только к
сварочным и паяльным работам с открытым огнем, но и вообще ко всем видам работ.
. В помещениях, где возможно повышение
концентрации кислорода в воздухе, всю электропроводку, приборы и арматуру
следует устанавливать только в закрытом исполнении, чтобы исключить возможность
загорания от искр.
. Все части машин, аппаратов и арматуры,
соприкасающиеся с кислородом, должны быть тщательно очищены от масла и жиров,
после чего растворитель необходимо полностью удалить. Руки, спецодежда и
инструмент работающих не должны быть загрязнены маслом.
. Дерево, уголь, асфальт, смолы, шлаковая вата,
не очищенная от масла и жира, при попадании жидкого кислорода могут взорваться
при самом незначительном импульсе. Известны случаи взрыва этих веществ в
сочетании с жидким кислородом от искры или легкого удара металлическим
предметом, сопровождавшиеся большими разрушениями и человеческими жертвами.
С жидким кислородом необходимо обращаться
особенно осторожно. Попадание жидкого кислорода на кожу и в особенности на
слизистую оболочку глаз приводит к обмораживанию тканей. В месте обмораживания
возникают поражения, аналогичные поражениям при ожогах. К таким же последствиям
может привести соприкосновение с холодными частями аппаратов.
Другое опасное свойство жидкого кислорода
заключается в том, что, находясь в замкнутом объеме, он постепенно испаряется
вследствие неизбежного притока тепла из окружающей среды. В закрытом сосуде,
заполненном жидким кислородом, давление при его испарении, происходящем
самопроизвольно, может возрасти до нескольких сот атмосфер, что приводит к
разрыву сосуда, а также к травмам обслуживающего персонала. Поэтому все сосуды,
в которых находится жидкий кислород (адсорберы), должны либо иметь свободный выход
газа.
При остановке аппарата, в котором находится
жидкость, необходимо везде оставлять выход в атмосферу для газа, получающегося
в результате испарения.
Все описанные свойства жидкого кислорода, за
исключением химических, относятся в той же мере к жидкому воздуху и аргону,
поэтому и меры предосторожности, изложенные выше, должны быть приняты при
работе со всеми ожиженными газами.
.2 Техника безопасности при работе с аргоном
Пониженное содержание кислорода в атмосфере
опасно для дыхания.
Снижение концентрации кислорода в помещении до
18% вызывает сонливость, головные боли, снижение трудоспособности. При меньшем
содержании кислорода атмосфера становится непригодной для длительного
пребывания человека.
Вдыхание аргона и других инертных газов вызывает
мгновенное удушье, потерю сознания и может привести к смертельному исходу. Если
содержание кислорода в атмосфере помещения менее 15-16%, то находящийся в такой
среде человек теряет сознание сразу, без каких либо предварительных симптомов,
которые могли бы служить предупреждением об опасности. Поэтому при работе с
газообразным аргоном необходимо исключить утечки в помещение через не-
плотности в трубопроводах, фланцах, арматуре и др. Перед началом работы в
помещениях, где может создаться повышенная концентрация аргона, необходимо
проверить анализом концентрацию кислорода. Содержание кислорода менее 19%
недопустимо. Если по каким-либо причинам необходимо проводить работу в
помещении или в сосуде с пониженным содержанием кислорода, то работающий должен
надеть изолирующий противогаз. Работы в этих условиях проводят не менее двух
человек. Первая помощь при отравлении аргоном — эвакуация из зоны с малым
содержанием кислорода, искусственное дыхание и затем кислород.
5.3 Общие требования безопасности к эксплуатации
и ремонту аппаратов
Непосредственно у аппаратов или мест их
обслуживания и управления должны помещаться схемы расположения оборудования и
аппаратов, технологических связей и коммуникаций.
К эксплуатации технических устройств допускается
только эксплуатационный и ремонтный персонал, подготовленный в соответствия с
требованиями общих правил промышленной безопасности.
Инструменты и приспособления. используемые для
обслуживания адсорберов должны соответствовать требованиям безопасности к
выполняемой работы.
Не допускается работа на неисправных технических
устройствах. а также использование неисправных приспособлений и инструментов.
В местах, где имеются источники повышенной
опасности, должны быть вывешены предупредительные плакаты, установлены знаки
безопасности или устроена звуковая (световая) сигнализация.
Прием и сдача смены сопровождаются осмотром и
проверкой эксплуатируемых аппаратов, включая проверку:
а) исправности адсорберов:
б) наличия и состояния ограждений, защитных
блокировок, сигнализации контрольно-измерительных приборов, заземления. средств
пожаротушения:
Результаты осмотра заносятся в журнал приема и
сдачи смены.
Обнаруженные неисправности устраняются.
Ремонтные, строительные и монтажные работы,
выполняемые в действующем цехе силами ремонтного (производственного) персонала
других цехов или подрядными организациями производятся по наряду-допуску.
Перед началом работ все специалисты и рабочие,
занятые в ремонте. Должны изучить ПОР и пройти инструктаж по безопасности
труда.
Допуск персонала к работе производится только с
разрешения лица, ответственного за проведение ремонта.
Адсорберы для осмотра чистки или ремонта,
отключаются от энергоисточников и технологических линий. На трубопроводах
устанавливаются отключающие заглушки.
Аппараты должны быть освобождены от остатков
кислорода и аргона, должен быть выполнен анализ воздушной среды
Проведение ремонтных работ на нагретых аппаратах
разрешается после снижения температуры воздуха в них до 40 град., а
низкотемпературных аппаратах — после отогрева до положительных температур ( 20
град. С) .
На месте выполнения работ выполняется проверка
состава воздуха.
Все работы по перемещению грузов производятся в
соответствии с ПОР.
Перемещение крупногабаритных грузов производится
в присутствии лица, ответственного за проведение ремонта.
При проведении такелажных работ с
крупногабаритными монтажными узлами все другие работы на данном у прекращаются.
Ремонтные работы прекращаются, если:
а) обнаружено несоответствие фактического
состояния производства работ требованиям безопасности;
б) выявлено нарушение условий отключения блока
адсорберов;
в) характер и объемы работ изменены в такой
степени, что требуется изменение схемы отключения блока и порядка выполнения
работ;
а) появилась угроза жизни о здоровью работающих:
Не допускается эксплуатация блока адсорберов с
неисправными системами управления и контроля технологических процессов, а также
приборов и устройств с истекшим сроком эксплуатации.
При эксплуатации блока адсорберов и коммуникаций
необходимо контролировать их герметичность.
При обнаружении утечки газообразных или жидких
продуктов работа блока адсорберов должна быть приостановлена а утечки
ликвидированы.
В производственных помещениях цеха могут
находиться только лица, непосредственно занятые эксплуатацией или ремонтом адсорберов,
а также лица, имеющие специальное разрешение руководителя производства (цеха)
При открытии или закрытии трубопроводной
арматуры в необходимых случаях допускается использование специальных
вспомогательных приспособлений.
Не допускается закрывать арматуру посредством
ударов.
Арматуру необходимо открывать и закрывать
плавно, без рывков.
На технологической трубопроводной арматуре
должны быть нанесены обозначения в соответствии с технологическими схемами,
указано направление вращения маховика и крайних положений затвора “Открыто” —
“Закрыто”.
Отогрев трубопроводной арматуры производится
снаружи горячим воздухом. паром или горячей водой. Использование открытого
пламени для отогрева арматуры не допускается.
Блок адсорберов должен быть заземлен для защиты
от статического электричества в соответствии с проектом.
Слив жидких продуктов на пол в производственном
помещении, на грунт или на асфальтовое покрытие не допускается.
Спецодежда, спецобувь персонала. обслуживающего
блок адсорберов, должны быть чистыми и не иметь следов масла.
Наполнение и опорожнение сосудов с жидкостями
выполнять в заправленных под рукава брезентовых или кожаных рукавицах и
защитных очках с боковыми щитками. Брюки должны быть надеты поверх обуви.
Верхняя одежда застегнута.
По окончании работы с жидким кислородом или
работы в местах с повышенным содержанием кислорода не допускается в течение 30
мин. приближаться к открытому пламени (курить) или к раскаленным предметам.
Одежда, в которой выполнялись работы в течение указанного времени подлежит
проветриванию.
Заключение
Как уже было указано выше применение блока
адсорберов позволит освободить производственные площади. Сокращается
производственный персонал на 15 человек, фонд зарплаты которого составляет при
существующей средней зарплате более 892 тыс. руб. в год.
Снижение потребления электроэнергии
технологическими установками даст экономию приблизительно 892 тыс. руб в год.
Библиографический список
1. Головко
Г.А. Установки для производства инертных газов. Л. Машиностроение. 1974г.
.
Справочник. Кислород. Под ред. Д.Л. Глизманенко. М. Металлургия.
.
Сосуды и аппараты. Нормы и методы расчета на прочность. ГОСТ 14249-89
.
А.А.Лащинский., А.Р.Толчинский, «Основы конструирования и расчета химической
аппаратуры». Справочник , Л, Машиностроение, 1970г.
5.Павлов
К.Ф., Романков П.Г., Носков А.А. Примеры и задачи по курсу процессов и
аппаратов химической технологии. Учебное пособие для вузов/Под ред. Чл. — корр.
АН СССР П.Г.Романкова. — 10-е изд., перераб. и доп.- Л. Химия, 1987. — 576 с.,
ил.
.
Михалёв М.Ф., Третьяков Н.П., Мильченко А.И., Зобин В.В. Расчёт и
конструирование машин и аппаратов химических производств: Примеры и задачи:
Учеб. Пособие для студентов вузов / Под общ.ред. М.Ф. Михалёва.
Л.:Машиностроение,
Ленингр. отд-ние, 1984. — 301 с., ил.
.
Лащинский А.А., Толчинский А.Р. Основы конструирования и расчёт химической
аппаратуры.
.
Соколов В.Н., Доманский И.В., Исаков В.П., Островский Г.М., Решпнов А.С. Машины
и аппараты химических производств: Примеры и задачи. Учеб. Пособие для
студентов вузов, обучающихся по специальности «Машины и аппараты химических
производств» / Под общ.ред. В.Н. Соколова — Л.: Машиностроение, Ленингр.
отд-ние, 1982. -384 с., ил.
